1976 р. Монументальна дерев’яна архітектура лівобережної України
С. Таранушенко
Троїцька церква, збудована не пізніше 1690 р.
[Таранушенко С. Пам’ятки мистецтва старої Слобожанщини. Харків, 1922, табл. XXXV, рис. 6]
Ф. Гумилевський зазначав, що ця церква, побудована не пізніше 1690 р., стояла спочатку в Шебелинці, а в 1782 р. продана в Гусарівку. Неясним залишається, скільки верхів мала церква у Шебелинці. На тризрубній основі вона могла мати або три верхи (класична форма), або один (як багато слобожанських пам’яток XVIII ст.).
В натурі це скромна по формі і дуже маленька за розмірами церковка: бік квадрата центральної дільниці в плані не досягає і 5 м, а внутрішня висота тої ж дільниці – 12,5 м. Описи показують, що від старого бабинця нічого не залишилося; збереглися лише в зрубі центральної дільниці сліди – вказівки на те, що ширина його була така ж, як і Ширина вівтаря. Вся сучасна західна частина нова. Проте аналіз обмірних креслеників дозволяє з певністю реконструювати первісний план будови.
Церква в Гусарівці належить до групи будов, у яких внутрішня висота центральної дільниці менша за довжину плану будови і дорівнює апофемі рівностороннього трикутника з стороною, що дорівнює довжині плану будови, а вікна в восьмерику центрального верху закладено на висоті, що дорівнює половині довжини плану будови. Таким чином, виходить, що бабинець церкви в Гусарівці мав не тільки ширину, а і довжину таку ж, як і вівтар, та, певно, і форма плану його повторювала форму плану вівтаря (шестикутник). Отже, в Гусарівці церква належить до типу будов, у яких план складається з чотирикутного центра і двох шестикутників: вівтаря і бабинця (церкви: в Гаврилівці, Бишкині і Олешні – на Слобожанщині; в Первозванівці – на Запоріжжі; Бобровиці і Любечі – на Чернігівщині). Тип цей утворився не пізніше як у першій половині XVII ст., бо церква Михайла в Переяславі-Хмельницькому уже 1646 р. відтворила в цеглі тип плану вищезгаданих дерев’яних церков.
Найкраще первісну форму зберегла центральна дільниця. Всередині квадратний в плані зруб стін спокійних кубічних пропорцій м’яко переходить у короткий і дуже стрімкий перший залом. Характерна риса залому: вузькі грані його не звужуються вверх. Невисокий, просторий світлий восьмерик (четверо вікон) в плані задержує, як і перший залом, форму квадрата зі зрізаними кутами. Перехід від першого залому до восьмерика теж м’який, малопомітний. Зате границя між восьмериком та другим заломом чітка. Круто заломлені грані другого залому виразно «ліпляться» рефлексами світла, що досягає сюди знизу, з восьмерика. Завершує центральну дільницю глухий невисокий і вузенький ліхтар, що має вигляд майже правильного в плані восьмикутника, перекритого плоским плафоном. Перед вузькими гранями зрубу стін (вгорі) та восьмерика врубано профільовані з соковитим різьбленням ригелі. На середині висоти ліхтаря впоперек зрубу закладено теж профільований і помережаний різьбленням сволок. Ригелі і сволок оживляють гладь площин, а разом з тим відіграють роль цезур, що поділяють ритмічно на частини внутрішній об’єм дільниці в процесі розгортання його вверх.
У зовнішньому вигляді будови домінує центральний зруб, витриманий у спокійних пропорціях. Він помітно вищий і переважає маси зрубу стін кожного рукава. Грані залізних дахів на заломах плоскі, прямолінійні в контурах. Очевидно, вони зберегли форму первісних дерев’яних дахів. Дахи заломів короткі; кути, під якими їх заломлено, не виявляють значного напруження. У спокійних пропорціях витримана і маса восьмерика. Не виявляє різкого пориву вверх може навіть трохи заважкий ліхтар. Разом все це створює спокійну композицію мас, а всі компоненти без підкресленого напруження переливаються один в другий.
Таким чином, церкву в Гусарівці можна розглядати як типову пам’ятку скромної сільської народної монументальної архітектури. У вигляді її центральної дільниці збереглися елементи слобожанського будівництва кінця XVII ст.
Збудовано церкву у Гусарівці з брусів товщиною 13-12 см. Головна вісь плану (схід – захід) повернута на південь на 3’ за рухом стрілки годинника. Це свідчить, що заклали будівлю десь в квітні.
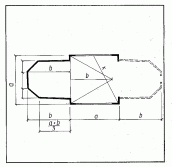
Вихідний розмір в побудові плану – сторона квадрата центральної дільниці (трохи деформованого в південно-західному кутку).
Вівтар – шестигранник, його довжина – апофема рівностороннього трикутника з стороною, що дорівнює стороні центра, ширина вівтаря дорівнює 3/4 сторони центра (ширина вівтаря відсікається довжиною вівтаря з південно-східного та північно-східного кутів центральної дільниці). Південна і північна грані вівтаря дорівнюють 1/3 повної довжини вівтаря і центра, взятих разом, а східна, південно-східна і північно-східна грані вівтаря – половині південної грані вівтаря.
По ширині і довжині бабинець і вівтар однакові. Висота центральної дільниці дорівнює подвоєній довжині вівтаря плюс довжина центра. Вікна у восьмерику центрального верху закладено на висоті, що дорівнює половині довжини плану будови.
Розміри зрубів стін, заломів й восьмерика та ліхтаря визначалися розмірами плану. Висота зрубу стін вівтаря дорівнює довжині південної грані плану дільниці, а внутрішня висота вівтаря – довжині його плану.
Висота зрубу стін центральної дільниці дорівнює діагоналі східної половини плану дільниці. Починає переходити квадрат зрубу стін у восьмигранник на висоті, що дорівнює довжині плану вівтаря.
Висота першого залому й зрубу стін разом дорівнює сумі довжини плану вівтаря і половини довжини плану центра. Перший залом складався з розрахунком, щоб ширина восьмерика повторила ширину плану вівтаря; ширині восьмерика дорівнює повна його довжина. Висота восьмерика дорівнює половині довжини вівтаря. Внутрішня висота центральної дільниці дорівнює апофемі рівностороннього трикутника з стороною, що дорівнює довжині плану будови.
Будов з таким, як церква в Гусарівці, типом плану (бабинець – шестикутник, центр – чотирикутник, вівтар – шестикутник) на Лівобережжі збереглось відносно небагато; збудовані вони між 1690 і 1789 р. Спільні прикмети всіх церков цього типу: зруб стін центральної дільниці вищий за зруби стін бабинця і вівтаря, розвинутий верх має лише центральна дільниця. Форми ж і пропорції зрубів стін і верхів цих пам’яток мають значні відміни.
[Таранушенко С.А. Монументальна дерев’яна архітектура лівобережної України. – К.: 1976 р., с. 29 – 32]
