1976 р. Монументальна дерев’яна архітектура лівобережної України
С. Таранушенко
Церква Покрови, збудована в 1764 р.
[Павлуцкий Г. Деревянное церковное зодчество на Украине. В издании: И. Грабарь. История русского искусства. СПб., 1909-1915.
Нариси історії архітектури Української РСР (Дожовтневий період). Київ, Держбудвидав УРСР, 1957.
Шафонский А. Черниговского наместничества топографическое описание. Киев, 1851.
Драган М. Українські деревляні церкви. Ч. I, II, Львів, 1937.
Мартынович П., Горленко В. Церкви старинной постройки Полтавской епархии. «Полтавские епархиальные ведомости», 1888.
Юрченко П. Дерев’яне зодчество України. Київ, Вид-во АН УРСР, 1949.
Филянский М. Наследие Украины. «Искусство», М., 1905, № 3.
Арандаренко Н. Записки о Полтавской губернии. Полтава, 1852;
Терещенко А. Статистическое описание г. Ромен. 1861, ч. 48, отд. 3, стор. 13-14;
Курилов И. Роменская старина. Ромны, 1898.
Макаренко Н. На родине последнего гетьмана запорожского П. Калнышевского. Покровская церковь в Ромнах, построенная Калнышевским. «Искусство и художественная промышленность». 1901, VIII.
Падалка Л. О старинном Покровском храме козацкой поры и его строителе П. Калныше. «Труды полтавского ученого архивного комитета». Полтава. 1908, № 6.
Макаренко Н. Памятники украинского искусства XVIII в. «Зодчий». СПб., 1908.
Пархоменко. Отчет Полтавского церковного исторического археологического комитета за 1907 г. Полтава, 1908.]
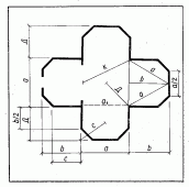
За планом Покровська церква в Ромнах належала до хрещатих з не-виділеним центром церков, тобто складалася з двох пересічених під прямим кутом довгих чотирикутників зі зрізаними зовнішніми кутами. Ширина гранчастого хрещатого плану будівлі була дещо менша за його довжину.
Одна з найпривабливіших пам’яток народного монументального дерев’яного будівництва Лівобережної України.
Житель Ромен В. Кривошия щоденним доглядом за будівництвом сприяв створенню цієї пам’ятки, що велично підносилася над долиною Сули. її силует здалеку нагадував купу струнких пірамідальних тополь. В. Кривошия в окремих випадках рішуче заперечував Калнишевському. Так, запропонований Калнишевським проект «обмалювання» церкви (зовні) Кривошия відхилив і заявив, що таким обмалюванням затрачені на будування кошти будуть «приведены в презрение» і додав, що «так думають всі городяне роменські, та й приїзжі такої ж думки». Дуже цікавий додаток. Він свідчить, що Кривошия висловлював не лише свою особисту, а колективну думку громади роменської і навіть приїжджих, а це ще раз переконує нас у тому, що кожна дерев’яна монументальна пам’ятка XVIII ст. була виявом колективної народної естетики.
Зовні зруби стін рукавів – високі, з помітним звуженням граней догори. Гладь корпуса зрубів стін оживляють лише віконні просвіти.
Завершує будівлю граціозна живописна група верхів. З великою майстерністю знайдено гармонійне співвідношення маси стін і маси верхів, динаміка яких виявлена без підкресленого напруження.
Перші заломи рукавів полегшують масу зрубів стін і створюють враження, що восьмерик кожного верху в плані дорівнює чверті плану центральної дільниці. Висота восьмерика така, що об’єм восьмерика, його пропорції «пригашують» поривання мас вверх.
Другі заломи енергійно в такій же мірі, як і перші, переводять маси верхів в стримано стрункі за пропорціями ліхтарі; їх завершують чітко прорисовані грушоподібної форми глави з візерунчастими кованими хрестами. Зруб стін центральної дільниці вищий від зрубів стін рукавів. Він починає переходити в залом на рівні, де перші заломи рукавів уже завершуються і переходять у восьмерики. Верх центральної дільниці також підноситься над верхами рукавів; він домінує в групі верхів, але виявлено це м’яко, без натиску.
Восьмерик центральної дільниці в плані дещо більший за восьмерики рукавів, але він вищий, стрункіший за них і становить вузловий елемент композиції групи верхів. Завершення центрального верху масою й розмірами майже не відрізняється від завершень верхів рукавів. Для зовнішнього вигляду пам’ятки характерна стриманість. Зруби стін дільниць, заломи, восьмерики і ліхтарі верхів позбавлені елементів, які могли б здрібнити їх форми, в них домінують риси, що підкреслюють єдність архітектурної ідеї і монументальність архітектурного образу пам’ятки.
В інтер’єрі в побудові архітектурних об’ємів чільне місце посідає експресія, динаміка розгортання архітектурних форм. Внутрішня висота центральної дільниці досягає 25,5 м, а висота кожного з рукавів перевищує 21 м. Зруби стін кожної дільниці майстер виводить вдвоє вищими за довжину їх плану, тобто центральний зруб підіймає на висоту 14,5, а рукави на висоту 12 м. До того ж він повною мірою використовує засоби ілюзорного збільшення висоти (нахил граней зрубів стін і восьмериків, характер побудови архітектурних форм, система освітлення та ін.).
В Київському центральному державному історичному архіві переховується «Дело о церкви Покрова в Ромне коштом… Калнишевського построенной» [Державний центральний історичний архів у Києві. Фонд 229. Опис 1. Одиниця збереження 321. Аркуші 2, 8, 9, 13, 16]. «Діло» містить ряд важливих відомостей про побудову Покровської церкви.
Різьблений іконостас виконав осташківський різьбяр по дереву Сисой Шалматов. Він різьбив іконостаси Полтавського і Мгарського монастирів [Державний центральний архів в Києві, фонд 229. Опис 1. Одиниця збереження 321 та 142] та, мабуть, і Охтирського собору.
План церкви складався з центрального квадрата (точніше – довжина дорівнює ширині плюс товщина одного бруса) і чотирьох шестигранних рукавів. Ширина бабинця й вівтаря дорівнює ширині центра, а довжина їх – апофемі рівностороннього трикутника з стороною, що дорівнює ширині центра. Довжина вівтаря, центра і бабинця (тобто довжина плану цілої будівлі) дорівнює подвійній діагоналі плану центральної дільниці. Довжина бокових рукавів дорівнює довжині центральної дільниці. Ширина кожного з бокових рукавів дорівнює половині діагоналі плану центральної дільниці. Отже, ширина цілої будівлі дорівнює діагоналі плюс ширина плану центральної дільниці. Західна грань бабинця (розмір всередині) дорівнює східній грані вівтаря (розмір всередині) і кожна з них дорівнює половині повної ширини центральної дільниці. Південна й північна грані бабинця і вівтаря дорівнюють половині діагоналі чотирикутника, який вписано в шестигранник південного рукава. Західна й східна грані південного і північного рукавів дорівнюють половині довжини плану бабинця.
Розміри зрубів стін, заломів, восьмериків і ліхтарів також виходять з розмірів плану. Висота зрубу стін бабинця дорівнює подвійній повній довжині плану дільниці (а також половині діагоналі чотирикутника, в який вписано план будови).
Бокові грані першого залому бабинця похилені під кутом 65°. Висота зрубу стін і першого залому бабинця разом дорівнює подвійній довжині плану центральної дільниці. Восьмерик має довжину, ширину й висоту, що дорівнюють половині ширини плану дільниці. Висота першого залому і восьмерика, разом взятих, дорівнює довжині плану дільниці. Грані восьмерика нахилені всередину; довжина восьмерика внизу на товщину бруса більша від довжини вгорі.
Бокові грані другого залому зроблено під кутом 65°, як і у першого залому; висота другого залому дорівнює половині висоти восьмерика. Восьмигранна призма глухого ліхтаря має довжину й ширину, що дорівнює чверті довжини плану дільниці, а висота його дорівнює висоті другого залому; стінки зрубу ліхтаря теж мають (незначний) нахил граней всередину. Висота ліхтаря, другого залому і восьмерика, разом взятих, дорівнює довжині плану центральної дільниці. А загальна висота верху бабинця дорівнює діагоналі плану центральної дільниці. Внутрішня висота цілого бабинця більша за довжину плану будови плюс половина довжини плану дільниці, або діагоналі чотирикутника, що становить південну половину чотиригранника, в який вписується план будови.
Висота зрубу стін центральної дільниці переважає подвоєну довжину плану дільниці, вона дорівнює подвійній діагоналі прямокутника, що становить південну половину плану центра.
Боки трапеції першого залому центрального верху зроблені під кутом 65°, як і у бабинці; висота першого залому центральної дільниці дорівнює висоті першого залому бабинця.
Висота восьмерика дорівнює чверті висоти зрубу стін центра. Висота першого залому і восьмерика разом дорівнює повній довжині зрубу стін вгорі. Висота другого залому дорівнює висоті першого залому тієї ж центральної дільниці; кут нахилу граней, як і у першого залому, становить 65°. Довжина і ширина ліхтаря центральної дільниці такі ж, як і довжина і ширина ліхтаря бабинця, а висота дорівнює діагоналі квадрата з стороною, що дорівнює довжині ліхтаря. Внутрішня висота центральної дільниці дорівнює діагоналі чотирикутника, в який вписується план будови, і перевищує довжину плану будови на довжину плану дільниці. Нахил всередину зрубу стін центральної дільниці (50 см) дорівнює 3,4 см на 1 м висоти.
Загальна внутрішня висота вівтаря й бабинця однакова. Але зруб стін вівтаря вищий за зруб стін бабинця майже на 1 м. Залежно від цього перший залом вівтаря на стільки ж нижчий від першого залому бабинця і нахил граней у них різний. Західна грань вівтаря заломлена під кутом 62°, східна – 63, тоді як грані заломів усіх верхів (в тому числі і другого залому вівтаря) заломлені всі під кутом 65°.
В інтер’єрі бабинець сполучається з центром досить високим (6 м) просвітом, але від центра його відділяють широкі заплечики, тобто об’єм бабинця сприйматиметься в якійсь мірі ізольованим від центра. Обидва рукави сполучаються з центром 11-метровими просвітами, і ці рукави разом з центром майстер трактує як єдине, витягнуте з півдня на північ високе світле приміщення, тільки вгорі перекрите трьома верхами.
Вікна нижнього регістра (їх лутки) в зрубах стін закладено на висоті, що дорівнює половині діагоналі плану центра, а верхній край їх луток лежить на висоті, що дорівнює повній довжині плану центра. Геометричний центр круглих вікон міститься на висоті, що дорівнює діагоналі плану центра, або також на висоті, що майже дорівнює половині довжини будови. Центр вікна восьмерика центральної дільниці лежить на висоті, що дорівнює довжині плану будови. Лутки вікон у восьмериках дільниці і бабинця закладено на висоті, що дорівнює половині довжини зрубу стін дільниці (вгорі) над верхнім вінцем зрубу стін, а у вівтарі – на вінець нижче.
[Таранушенко С.А. Монументальна дерев’яна архітектура лівобережної України. – К.: 1976 р., с. 202 – 207]
